.jpg)

防火調節閥通常安裝在既需防火又需排煙場所的通風管道上,也可用于氣體滅火系統的風管上或吊裝在高處頂棚內的通風空調管道上。
一、防火調節閥主要功能、特點
70℃熔斷器動作,閥門自動關閉
DC24V電信號輸入閥門,迅速關閉
手動關閉,手動調節關閉力矩
輸出關閉信號,聯鎖空調風機
消控中心輸出DC24V電信號可使閥門自動復位到開啟狀態
如采用70℃形狀記憶合金溫感器,當閥門關閉后,不用更換溫感器,可以反復使用
手動調節閥門開啟角度
二、防火調節閥主要技術參數
動作電壓/電流:DC24V/0.5A
復位電壓/電流:DC24V/0.5A
動作關閉時間:瞬時
復位開啟時間:約20秒
復位過程信號:連續(復位結束自動停止)
規格尺寸(A×B×L)(ΦD×L):
矩形:400×400×320~2000×1250×320 特殊規格可定制。
圓形:Φ320×400~Φ1500
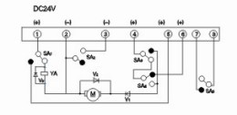
SFVMD自動復位防煙防火調節閥電路圖及閥門開啟-關閉-復位運行圖
.jpg)
端子說明:
1、(+):火災動作電源信號線
2、(-):動作與復位共用線
3、(-):復位動作顯示信號線
4、(+):復位電源信號線
5、(+):串聯動作信號線
6、(+):串聯復位信號線
7、聯鎖控制信號線
8、聯鎖控制信號線
.jpg)
三、防火調節閥操作要領
自動度為防煙防火閥,平時開啟閥門時,將紅球手柄撥到90°位置,讓閥門處于全開,如要調節葉片角度,再撥動彈性圓柱銷,然后再轉動黑球調節板,轉到所需調節角度時,彈性圓柱銷在調節板上定位。
電動復位時,應讓閥門自動復位到原來的開啟位置后自動停止,嚴禁在復位時中斷電源!